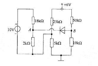
图示电路中,A点和B点的电位分别是: A. 2V,-1V B.-2V,1V C. 2V,1V D. 1V,2V

作者: tihaiku 人气: - 评论: 0
问题 图示电路中,A点和B点的电位分别是: A. 2V,-1V B.-2V,1V C. 2V,1V D. 1V,2V
选项
答案 C
解析

猜你喜欢

发表评论
更多 网友评论0 条评论)
暂无评论

Copyright © 2012-2014 恰考网 Inc. 保留所有权利。 Powered by tikuer.com

页面耗时0.0463秒, 内存占用1.04 MB, Cache:redis,访问数据库20次