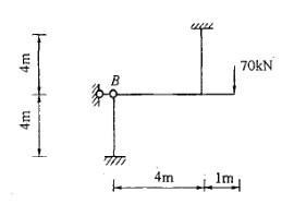
图示结构(EI=常数)支座B的水平反力RB等于: A. 10kN(→) B. 10kN(←) C.15kN(→) D.0

作者: tihaiku 人气: - 评论: 0
问题 图示结构(EI=常数)支座B的水平反力RB等于: A. 10kN(→) B. 10kN(←) C.15kN(→) D.0
选项
答案 C
解析 提示:用力矩分配法求上面竖杆的弯矩,并求其剪力。

猜你喜欢

发表评论
更多 网友评论0 条评论)
暂无评论

Copyright © 2012-2014 恰考网 Inc. 保留所有权利。 Powered by tikuer.com

页面耗时0.0623秒, 内存占用1.04 MB, Cache:redis,访问数据库20次