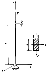
图示两端铰支压杆的截面为矩形,当其失稳时: A.临界压力Pcr=π2EI∥ι^2,挠曲线位于xy面内 B.临界压力Pcr=π2EI∥ι^2,挠曲...

作者: tihaiku 人气: - 评论: 0
问题 图示两端铰支压杆的截面为矩形,当其失稳时:
选项 A.临界压力Pcr=π2EI∥ι^2,挠曲线位于xy面内 B.临界压力Pcr=π2EI∥ι^2,挠曲线位于xy面内 C.临界压力Pcr=π2EI∥ι^2,挠曲线位于xy面内 D.临界压力Pcr=π2EI∥ι^2,挠曲线位于xz面内
答案 B
解析 根据临界压力的概念,临界压力是指压杆由稳定开始转化为不稳定的最小轴向压力。由公式 可知,当压杆截面对某轴惯性矩最小时,则压杆截面绕该轴转动并发生弯曲最省力,即这时的轴向压力最小。显然图示矩形截面中ly是最小惯性矩,并挠曲线应位于xz面内。

相关内容:两端,铰支,压杆,矩形,当其,失稳时,压力,曲线,面内

猜你喜欢

发表评论
更多 网友评论0 条评论)
暂无评论

Copyright © 2012-2014 恰考网 Inc. 保留所有权利。 Powered by tikuer.com

页面耗时0.0303秒, 内存占用1.04 MB, Cache:redis,访问数据库19次