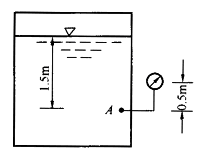
图示密闭水箱,压力表测得压强为5kN/m2,压力表中心比A点高0.5m,A点在液面下1.5m。则液面压强为( )。 A.9.7kPa B.-9....

作者: tihaiku 人气: - 评论: 0
问题 图示密闭水箱,压力表测得压强为5kN/m2,压力表中心比A点高0.5m,A点在液面下1.5m。则液面压强为( )。
选项 A.9.7kPa B.-9.7kPa C.4.8kPa D.-4.8kPa
答案 D
解析

相关内容:水箱,压力表,压强,中心,点高,A.9.7kPa,B.-9....

猜你喜欢

发表评论
更多 网友评论0 条评论)
暂无评论

Copyright © 2012-2014 恰考网 Inc. 保留所有权利。 Powered by tikuer.com

页面耗时0.0303秒, 内存占用1.04 MB, Cache:redis,访问数据库18次