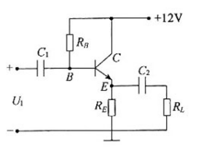
图示射极输出单管放大电路,已知RB=200kΩ、RL=10kΩ,晶体三极管β=60,交流输入电阻γbe≈1kΩ。求所示单管放大电路的电压放大倍数 ...

作者: tihaiku 人气: - 评论: 0
问题 图示射极输出单管放大电路,已知RB=200kΩ、RL=10kΩ,晶体三极管β=60,交流输入电阻γbe≈1kΩ。求所示单管放大电路的电压放大倍数 及放大电路的输入电阻Ri分别为( )。
选项
答案 B
解析 根据射极输出单管放大电路,R'L=RE∥RL

猜你喜欢

发表评论
更多 网友评论0 条评论)
暂无评论

Copyright © 2012-2014 恰考网 Inc. 保留所有权利。 Powered by tikuer.com

页面耗时0.0516秒, 内存占用1.04 MB, Cache:redis,访问数据库19次