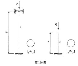
图中的1、2杆材料相同,均为圆截面压杆,若使两杆的临界应力相等,则两杆的直径之比d1/d2为( )。 A.1/2 B.2 C.1/4 D.4

作者: tihaiku 人气: - 评论: 0
问题 图中的1、2杆材料相同,均为圆截面压杆,若使两杆的临界应力相等,则两杆的直径之比d1/d2为( )。
选项 A.1/2 B.2 C.1/4 D.4
答案 B
解析 利用公式即可

相关内容:材料,截面,压杆,两杆,应力,直径

猜你喜欢

发表评论
更多 网友评论0 条评论)
暂无评论

Copyright © 2012-2014 恰考网 Inc. 保留所有权利。 Powered by tikuer.com

页面耗时0.0299秒, 内存占用1.04 MB, Cache:redis,访问数据库18次