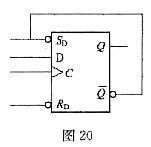
触发器D如图20所示,可以判定触发器的状态是( )。A、不变 B、置1 C、计数 D、置0

作者: tihaiku 人气: - 评论: 0
问题 触发器D如图20所示,可以判定触发器的状态是( )。
选项 A、不变 B、置1 C、计数 D、置0
答案 C
解析 D的输入总是与输出状态相反,时钟脉冲过后,输出变成原相反状态,所以是计数

相关内容:触发器,如图,20所示,状态

猜你喜欢

发表评论
更多 网友评论0 条评论)
暂无评论

Copyright © 2012-2014 恰考网 Inc. 保留所有权利。 Powered by tikuer.com

页面耗时0.0320秒, 内存占用1.04 MB, Cache:redis,访问数据库19次