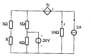
在图示电路中,当R为下列哪项数值时,它能获得最大功率?( ) A.7. 5Ω B.4.5Ω C.5. 2Ω D.5.5Ω

作者: tihaiku 人气: - 评论: 0
问题 在图示电路中,当R为下列哪项数值时,它能获得最大功率?( )
选项 A.7. 5Ω B.4.5Ω C.5. 2Ω D.5.5Ω
答案 D
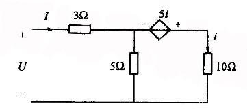
解析 解:戴维南等效电路如图所示。

相关内容:电路,数值,它能

猜你喜欢

发表评论
更多 网友评论0 条评论)
暂无评论

访问排行

Copyright © 2012-2014 恰考网 Inc. 保留所有权利。 Powered by tikuer.com

页面耗时0.0455秒, 内存占用1.03 MB, Cache:redis,访问数据库15次