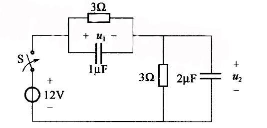
图示电路中,i = 0时闭合开关S,且u1(0+) = u2(0- ) = 0,则u1(0+)应为下列哪项数值?( )A. 6V B. 4V C. 0...

作者: tihaiku 人气: - 评论: 0
问题 图示电路中,i = 0时闭合开关S,且u1(0+) = u2(0- ) = 0,则u1(0+)应为下列哪项数值?( )
选项 A. 6V B. 4V C. 0V D.8V
答案 D
解析 解:u1(0+) = u2(0- ) = 0 当t= 0+时,u1(0+)+u2(0+) =12V

猜你喜欢

发表评论
更多 网友评论0 条评论)
暂无评论

访问排行

Copyright © 2012-2014 恰考网 Inc. 保留所有权利。 Powered by tikuer.com

页面耗时0.0389秒, 内存占用1.04 MB, Cache:redis,访问数据库18次