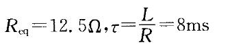
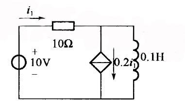
图示电路的时间常数τ应为下列哪项数值?( ) A. 16ms B. 4ms C. 2ms D. 8ms

作者: tihaiku 人气: - 评论: 0
问题 图示电路的时间常数τ应为下列哪项数值?( )
选项 A. 16ms B. 4ms C. 2ms D. 8ms
答案 D
解析 解:将其等效为戴维南电路,则

相关内容:电路,时间,常数,数值

猜你喜欢

发表评论
更多 网友评论0 条评论)
暂无评论
错误啦!

错误信息

  • 消息: [程序异常] : MISCONF Redis is configured to save RDB snapshots, but it's currently unable to persist to disk. Commands that may modify the data set are disabled, because this instance is configured to report errors during writes if RDB snapshotting fails (stop-writes-on-bgsave-error option). Please check the Redis logs for details about the RDB error.
  • 文件: /twcms/kongphp/cache/cache_redis.class.php
  • 位置: 第 85 行
    <?php echo 'KongPHP, Road to Jane.'; ?>