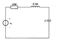
已知图中二阶动态电路的过渡过程是欠阻尼,则电容C的值应小于()。A 0. 012F B. 0. 024F C. 0. 036F D. 0.048F

作者: tihaiku 人气: - 评论: 0
问题 已知图中二阶动态电路的过渡过程是欠阻尼,则电容C的值应小于()。
选项 A 0. 012F B. 0. 024F C. 0. 036F D. 0.048F
答案 A
解析

猜你喜欢

发表评论
更多 网友评论0 条评论)
暂无评论

访问排行

Copyright © 2012-2014 恰考网 Inc. 保留所有权利。 Powered by tikuer.com

页面耗时0.1509秒, 内存占用1.03 MB, Cache:redis,访问数据库20次