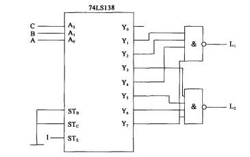
由3-8线译码器74LS138构成的逻辑电路如图所示,该电路能实现的逻辑功能为( ).A. 8421BCD码检测及四舍五入 B.全减器 C.全加器 ...

作者: tihaiku 人气: - 评论: 0
问题 由3-8线译码器74LS138构成的逻辑电路如图所示,该电路能实现的逻辑功能为( ).
选项 A. 8421BCD码检测及四舍五入 B.全减器 C.全加器 D.比较器
答案 C
解析

相关内容:译码器,74LS138,构成,逻辑,电路,如图,8421BCD,检测,全减,全加

猜你喜欢

发表评论
更多 网友评论0 条评论)
暂无评论

访问排行

Copyright © 2012-2014 恰考网 Inc. 保留所有权利。 Powered by tikuer.com

页面耗时0.0346秒, 内存占用1.04 MB, Cache:redis,访问数据库20次