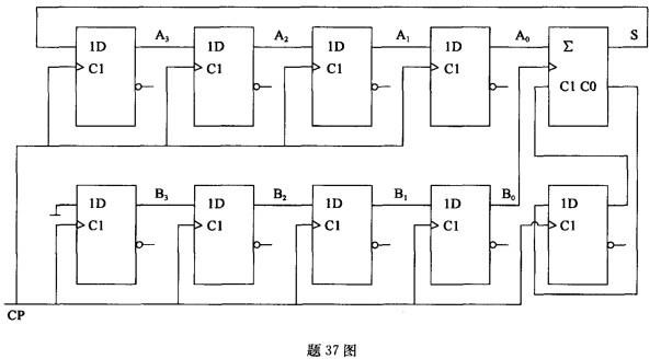
电路如图所示,该电路完成的功能是( )。 A. 8位并行加法器 B. 8位串行加法器 C. 4位并行加法器 D. 4位串行加法器

作者: tihaiku 人气: - 评论: 0
问题 电路如图所示,该电路完成的功能是( )。
选项 A. 8位并行加法器 B. 8位串行加法器 C. 4位并行加法器 D. 4位串行加法器
答案 D
解析 解加法器部分是A、B按位串行相加的。 答案:D

相关内容:电路,如图,功能,加法器,串行

猜你喜欢

发表评论
更多 网友评论0 条评论)
暂无评论

访问排行

Copyright © 2012-2014 恰考网 Inc. 保留所有权利。 Powered by tikuer.com

页面耗时0.0425秒, 内存占用1.04 MB, Cache:redis,访问数据库19次