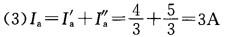
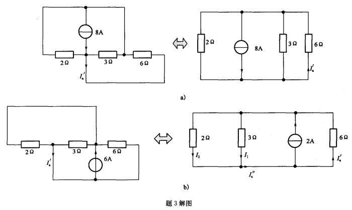
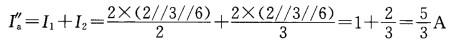
如图所示,直流电路中Ia的大小为( )。 A. 1A B. 2A C. 3A D. 4A

作者: tihaiku 人气: - 评论: 0
问题 如图所示,直流电路中Ia的大小为( )。 A. 1A B. 2A C. 3
选项 A D. 4A
答案 C
解析 解 (1)当8A单独作用时,如图a)所示。 (2)当6A单独作用时,如图b)所示。 答案:C

相关内容:如图,电路,大小

猜你喜欢

发表评论
更多 网友评论0 条评论)
暂无评论

访问排行

Copyright © 2012-2014 恰考网 Inc. 保留所有权利。 Powered by tikuer.com

页面耗时0.0740秒, 内存占用1.04 MB, Cache:redis,访问数据库20次