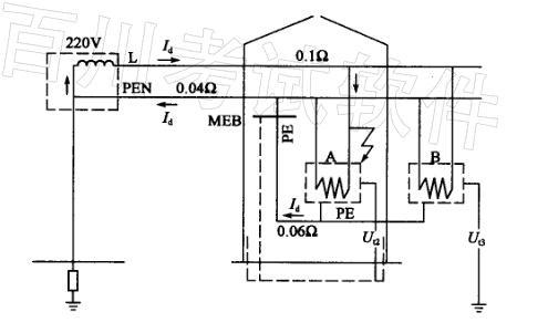
某建筑物釆用TN-C-S系统供电,建筑物地下室设有与大地绝缘的防水层。PEN线进户后即分为PE线和N线,并打人工接地极将PE线重复接地。变电所系统接地RA...

作者: rantiku 人气: - 评论: 0
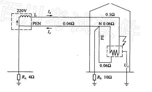
问题 某建筑物釆用TN-C-S系统供电,建筑物地下室设有与大地绝缘的防水层。PEN线进户后即分为PE线和N线,并打人工接地极将PE线重复接地。变电所系统接地RA和建筑物重复接地RB阻值分别为4Ω及10Ω。各段线路的电阻值如下图所示,为简化计算可忽略工频条件下的回路导体电抗和变压器电抗。 请回答下列问题。 若建筑物引出线路给户外电气设备B供电,如下图所示,当设备A发生接地故障时,不仅在设备A处出现预期接触电压Ut2,在设备B处也出现预期接触电压Ut3,试计算此Ut3值为下列哪一项数值? () (A)110V (B)100V (C)120V (D)80V
选项
答案 A
解析 《工业与民用配电设计手册》(第三版)P920、921作总等电位联结内容。短路分析:发生故障后,相保回路电流由相线L(0.1Ω)流经建筑物内PE线(0.06Ω),再流经PEN线(0.04Ω)返回至变压器中性点,全回路电阻和电路电流Id为: R = 0. 1 + 0. 06 + 0. 04 = 0. 2Ω Id =220/0.2 = 1100A A设备的接触电压Ut2为碰壳点与MEB之间的电位差,B设备的接触电压Ut3为碰壳点与大地之间的地位差,由于变压器中性点直接接地,大地与变压器中性点等电位,因此B设备外壳接触电压Ut3为: Ut3=Id(RPE+RPEN) = 1100 x (0.06 + 0.04) = 110V

猜你喜欢

发表评论
更多 网友评论0 条评论)
暂无评论

访问排行

Copyright © 2012-2014 恰考网 Inc. 保留所有权利。 Powered by tikuer.com

页面耗时0.0641秒, 内存占用1.04 MB, Cache:redis,访问数据库20次