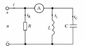
如图所示电路处于谐振状态时,电流表A的读数应是()。 A. iL+ic B.i C. 0 D. iL

作者: tihaiku 人气: - 评论: 0
问题 如图所示电路处于谐振状态时,电流表A的读数应是()。
选项 A. iL+ic B.i C. 0 D. iL
答案 C
解析 并联谐振电路,L、C两端电流大小相等,方向相差180度,所以互相抵消,相当于谐振回路的电阻无穷大。

相关内容:如图,电路,谐振,状态,电流表,读数

猜你喜欢

发表评论
更多 网友评论0 条评论)
暂无评论

访问排行

Copyright © 2012-2014 恰考网 Inc. 保留所有权利。 Powered by tikuer.com

页面耗时0.0436秒, 内存占用1.03 MB, Cache:redis,访问数据库14次