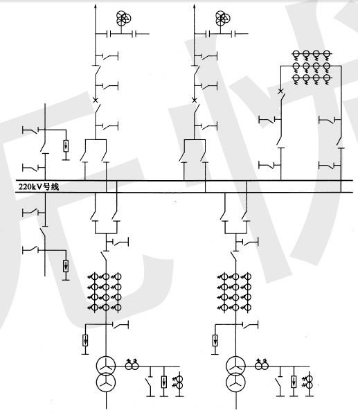
建设在海拔2000m,污秽等级Ⅲ级的220kV屋外配电装置,采用双母 线接线,有2回进线,2回出线,均为架空线路,220kV为有效接地系统,其主接线 如图...

作者: tihaiku 人气: - 评论: 0
问题 建设在海拔2000m,污秽等级Ⅲ级的220kV屋外配电装置,采用双母 线接线,有2回进线,2回出线,均为架空线路,220kV为有效接地系统,其主接线 如图。 图中电气设备的外绝缘当在海拔1000m下试验时,其耐受电压为:( ) (A)相对地雷电冲击电压耐压950V,相对地工频耐受电压395kV (B) 相对地雷电冲击电压耐压1055 V,相对地工频耐受电压438 . 8kV (C) 相对地雷电冲击电压耐压1050V,相对地工频耐受电压460kV (D) 相对地雷电冲击电压耐压1175 V,相对地工频耐受电压510kV
选项
答案 D
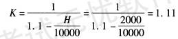
解析 当海拔 高度在4000m以下时,其试验电压应乘以系数K。 相对地雷电冲击耐受电压:Uk1=950x1. 11 =1054. 5kV 相对地工频冲击耐受电压:Uk2=395 x1. 11 =438.8kV

相关内容:海拔,污秽,等级,级的,屋外,装置,双母,接线,出线,架空,线路,接地,系统,其主,如图

猜你喜欢

发表评论
更多 网友评论0 条评论)
暂无评论

访问排行

Copyright © 2012-2014 恰考网 Inc. 保留所有权利。 Powered by tikuer.com

页面耗时0.0502秒, 内存占用1.03 MB, Cache:redis,访问数据库13次