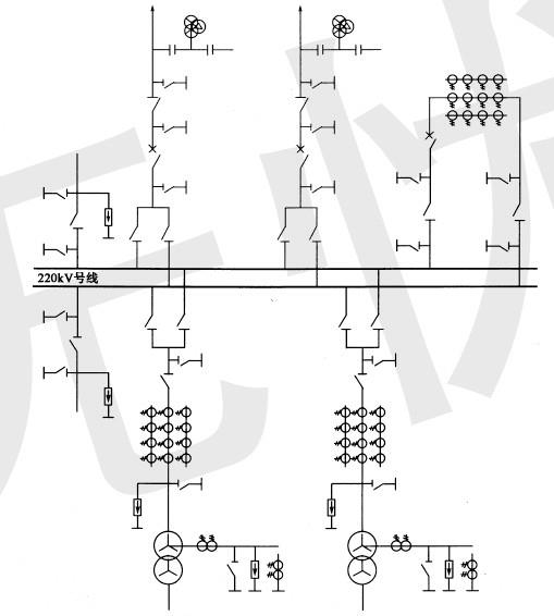
建设在海拔2000m,污秽等级Ⅲ级的220kV屋外配电装置,采用双母 线接线,有2回进线,2回出线,均为架空线路,220kV为有效接地系统,其主接线 如图...

作者: tihaiku 人气: - 评论: 0
问题 建设在海拔2000m,污秽等级Ⅲ级的220kV屋外配电装置,采用双母 线接线,有2回进线,2回出线,均为架空线路,220kV为有效接地系统,其主接线 如图。 假设图中变压器容量为240MVA,最大负荷利用小时数T= 5000h,成本电价为0.2元/(kWⅢh),主变220kV侧架空线采用铝绞线,按经济电流密度选择截面为:( ) (A)2x400mm2 (B ) 2 x 500mm2 (C)2 x630mm2 (D ) 2 x 800mm2
选项
答案 C
解析 1) 查阅可得:经济电流密度为0.46A/mm2。 2) 回路持续运行电流 3) 导体的经济截面: 4) 综合以上,确定电缆规格为2 x630mm2。 注:当无合适规格导体时, 导线面积可小于经济电流密度的计算截面。

相关内容:海拔,污秽,等级,级的,屋外,装置,双母,接线,出线,架空,线路,接地,系统,其主,如图

猜你喜欢

发表评论
更多 网友评论0 条评论)
暂无评论

访问排行

Copyright © 2012-2014 恰考网 Inc. 保留所有权利。 Powered by tikuer.com

页面耗时0.0507秒, 内存占用1.05 MB, Cache:redis,访问数据库18次