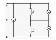
电路如图所示,已知交流电压表V1的读数为3V,V2的读数为4V,则电压表V的读数为( )V。 A. -1 B. 1 C. 5 D. 7

作者: tihaiku 人气: - 评论: 0
问题 电路如图所示,已知交流电压表V1的读数为3V,V2的读数为4V,则电压表V的读数为( )V。
选项 A. -1 B. 1 C. 5 D. 7
答案 C
解析 R、L电压与总电压组成电压三角形,,故电压表V的读数为5V。

相关内容:电路,如图,交流,电压表,读数

猜你喜欢

发表评论
更多 网友评论0 条评论)
暂无评论
错误啦!

错误信息

  • 消息: [程序异常] : MISCONF Redis is configured to save RDB snapshots, but it's currently unable to persist to disk. Commands that may modify the data set are disabled, because this instance is configured to report errors during writes if RDB snapshotting fails (stop-writes-on-bgsave-error option). Please check the Redis logs for details about the RDB error.
  • 文件: /twcms/kongphp/cache/cache_redis.class.php
  • 位置: 第 85 行
    <?php echo 'KongPHP, Road to Jane.'; ?>