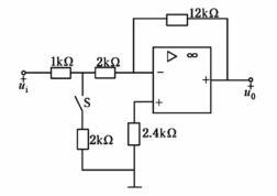
电路如图所示,当开关S断开时,电路的运算关系是( )。 A. u0=-6ui B.u0=-4ui C.u0=5ui D.u0=9ui

作者: tihaiku 人气: - 评论: 0
问题 电路如图所示,当开关S断开时,电路的运算关系是( )。
选项 A. u0=-6ui B.u0=-4ui C.u0=5ui D.u0=9ui
答案 B
解析 开关S断开,输入信号从反相输入端引入。根据公式其中RF=12KΩ,R1=1+2=3KΩ , 所以 u0=-4ui。

相关内容:电路,如图,开关,开时,运算,关系

猜你喜欢

发表评论
更多 网友评论0 条评论)
暂无评论

Copyright © 2012-2014 恰考网 Inc. 保留所有权利。 Powered by tikuer.com

页面耗时0.0483秒, 内存占用1.04 MB, Cache:redis,访问数据库19次