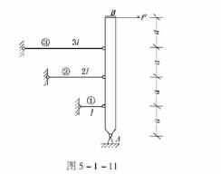
如图5-1-11所示结构中,杆①、②、③的轴力分别为:N1、N2,N3,轴向线应变分别为:ε1、ε2、ε3。已知三根水平杆的EA相同,忽略梁AB的变形,则...

作者: tihaiku 人气: - 评论: 0
问题 如图5-1-11所示结构中,杆①、②、③的轴力分别为:N1、N2,N3,轴向线应变分别为:ε1、ε2、ε3。已知三根水平杆的EA相同,忽略梁AB的变形,则三杆轴力及线应变的关系为()。
选项 A.N1=N2=N3,ε123 B.N1<N2<N3,ε123 C.N1=N2=N3,ε1=ε2=ε3 D.N1<N2<N3,ε1=ε2=ε3
答案 C
解析

相关内容:如图,5-1-11,结构,轴力,应变,三根,水平

猜你喜欢

发表评论
更多 网友评论0 条评论)
暂无评论

Copyright © 2012-2014 恰考网 Inc. 保留所有权利。 Powered by tikuer.com

页面耗时0.0406秒, 内存占用1.04 MB, Cache:redis,访问数据库19次