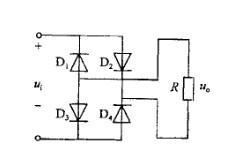
图示电路中,ui = 10sinωt,二极管D2因损坏而断开,这时输出电压的波形和输出电压的平均值为:

作者: tihaiku 人气: - 评论: 0
问题 图示电路中,ui = 10sinωt,二极管D2因损坏而断开,这时输出电压的波形和输出电压的平均值为:
选项
答案 C
解析 提示:该电路为二极管的桥式整流电路,当D2 二极管断开时,电路变为半波整流电路,输入电压的交流有效值和输出直流电压的关系为U0=0. 45Ui,同时根据二极管的导通电流方向可得U0=-3. 18V。

相关内容:电路,二极管,这时,电压,波形,平均值

猜你喜欢

发表评论
更多 网友评论0 条评论)
暂无评论

Copyright © 2012-2014 恰考网 Inc. 保留所有权利。 Powered by tikuer.com

页面耗时0.0278秒, 内存占用1.04 MB, Cache:redis,访问数据库17次