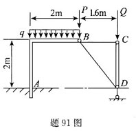
图示结构,已知:q=10kN/m,P=20kN,Q=30kN。试求固定端A的约束反力为( )。 A.XA.=40kN,YA.=40kN,MA....

作者: tihaiku 人气: - 评论: 0
问题 图示结构,已知:q=10kN/m,P=20kN,Q=30kN。试求固定端A的约束反力为( )。
选项 A.XA.=40kN,YA.=40kN,MA.=0kN·m B.XA.=0kN,YA.=60kN,MA.=40kN·m C.XA.=40kN,YA.=0kN,MA.=60kN·m D.XA.=0kN,YA.=40kN,MA.=60kN·m
答案 D
解析 此题为物体系统的平衡问题。先研究CD杆,BC、BD杆为零力杆,CD实际上是一二力平衡体。杆AB为一基本结构,对其列平衡方程,可得答案为D

相关内容:结构,试求,约束,MA....

猜你喜欢

发表评论
更多 网友评论0 条评论)
暂无评论

Copyright © 2012-2014 恰考网 Inc. 保留所有权利。 Powered by tikuer.com

页面耗时0.0508秒, 内存占用1.04 MB, Cache:redis,访问数据库18次