如图所示电路中,开关S闭合前电路已经处于稳态,在t = 0时开关S闭合。开关S闭合后的uc(t)为( )。

作者: tihaiku 人气: - 评论: 0
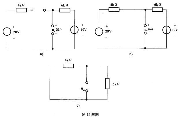
问题 如图所示电路中,开关S闭合前电路已经处于稳态,在t = 0时开关S闭合。开关S闭合后的uc(t)为( )。
选项
答案 A
解析 解(1)求 uc(0+)。如图 a)所示,uc(0+)=uc(0-)=10V。 (2)求uc(∞)。t=∞时的电路如图b)所示,由KVL得:i(4+6) + 10=20,则i=1X10-3A,所以 Uc(∞) = 1 X 10-3 X 6 X 103 + 10=16V。 答案:B

相关内容:如图,电路,开关,稳态

猜你喜欢

发表评论
更多 网友评论0 条评论)
暂无评论

访问排行

Copyright © 2012-2014 恰考网 Inc. 保留所有权利。 Powered by tikuer.com

页面耗时0.0560秒, 内存占用1.04 MB, Cache:redis,访问数据库18次