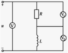
电路如图所示,已知交流电压表V1的读数为3V,V2的读数为4V,则电压表V的读数为()V。 A. -1 B. 1 C. 5 D. 7

作者: tihaiku 人气: - 评论: 0
问题 电路如图所示,已知交流电压表V1的读数为3V,V2的读数为4V,则电压表V的读数为()V。
选项 A. -1 B. 1 C. 5 D. 7
答案 C
解析 R、L电压与总电压组成电压三角形,即故电压表V的读数为5V。

相关内容:电路,如图,交流,电压表,读数

猜你喜欢

发表评论
更多 网友评论0 条评论)
暂无评论

访问排行

Copyright © 2012-2014 恰考网 Inc. 保留所有权利。 Powered by tikuer.com

页面耗时0.0620秒, 内存占用1.04 MB, Cache:redis,访问数据库19次