建设在海拔2000m,污秽等级1级的220kV屋外配电装置,采用双母 线接线,有2回进线,2回出线,均为架空线路,220kV为有效接地系统,其主接线 如图...

作者: tihaiku 人气: - 评论: 0
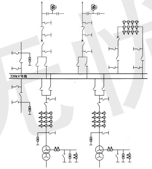
问题 建设在海拔2000m,污秽等级1级的220kV屋外配电装置,采用双母 线接线,有2回进线,2回出线,均为架空线路,220kV为有效接地系统,其主接线 如图。 图中变压器中性点氧化锌避雷器持续运行电压和额定电压为下列哪项?( ) (A) 持续运行电压0.13 Um,额定电压0.17Um (B) 持续运行电压0.45U m,额定电压0.57Um (C) 持续运行电压0.64Um,额定电压0.80U m (D) 持续运行电压0.58,额定电压0.72
选项
答案 D
解析 《交 流 电 气 装 置 的 过 电 压 保 护 和 绝 缘 配 合 》第 5 . 3 . 4 条,氧化锌避雷器持续运行电压和额定电压分别为0.45和0.57

相关内容:海拔,污秽,等级,屋外,装置,双母,接线,出线,架空,线路,接地,系统,其主,如图

猜你喜欢

发表评论
更多 网友评论0 条评论)
暂无评论

访问排行

Copyright © 2012-2014 恰考网 Inc. 保留所有权利。 Powered by tikuer.com

页面耗时0.0372秒, 内存占用1.05 MB, Cache:redis,访问数据库19次