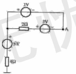
直流电路如图所示。图中A点的电位是()。 A. UA=-3V B. UA=7V C. UA=5V D. UA=6V

作者: tihaiku 人气: - 评论: 0
问题 直流电路如图所示。图中A点的电位是()。
选项 A. UA=-3V B. UA=7V C. UA=5V D. UA=6V
答案 C
解析 图示电路中6V电源和4Ω电阻串联的支路没有闭合,故4Ω电阻上没有电流,也没有电压;3V电源和2Ω电阻串联后与1V电源并联,故端电压为1V;A点电位是指从A点到参考点之间的电压,方向自左向右,1V电源的方向与其相反为负,6V电源的方向与其相同为正,所以图示电路中A点电位为:UA=6-1=5V。

相关内容:电路,如图,图中,电位

猜你喜欢

发表评论
更多 网友评论0 条评论)
暂无评论

访问排行

Copyright © 2012-2014 恰考网 Inc. 保留所有权利。 Powered by tikuer.com

页面耗时0.0379秒, 内存占用1.04 MB, Cache:redis,访问数据库20次