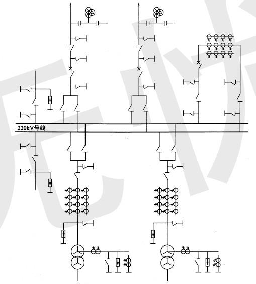
建设在海拔2000m,污秽等级Ⅲ级的220kV屋外配电装置,采用双母线接线,有2回进线,2回出线,均为架空线路,220kV为有效接地系统,其主接线 如图。...

作者: tihaiku 人气: - 评论: 0
问题 建设在海拔2000m,污秽等级Ⅲ级的220kV屋外配电装置,采用双母线接线,有2回进线,2回出线,均为架空线路,220kV为有效接地系统,其主接线 如图。 配电装置内母线耐张绝缘子采用XPW-160(每片的几何爬电距离为450mm),爬电距离有效系数为1,请计算按工频电压的爬电距离选择,每串的片数为: ( ) (A)14 (B)16 (C)15 (D)18
选项
答案 B
解析 1) 查阅可得:经济电流密度为0.46A/mm2。 2) 3) 4) 综合以上,确定电缆规格为2 x630mm2。 注:当无合适规格导体时, 导线面积可小于经济电流密度的计算截面。

相关内容:海拔,污秽,等级,级的,屋外,装置,母线,接线,出线,架空,线路,接地,系统,其主,如图

猜你喜欢

发表评论
更多 网友评论0 条评论)
暂无评论

访问排行

Copyright © 2012-2014 恰考网 Inc. 保留所有权利。 Powered by tikuer.com

页面耗时0.0322秒, 内存占用1.04 MB, Cache:redis,访问数据库19次