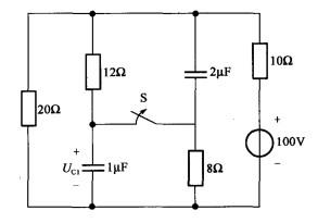
如图所示,电路原已稳定,t=0时断开开关S,则Ucl(0+)为()。 A.10V B.15V C.20V D.25V

作者: tihaiku 人气: - 评论: 0
问题 如图所示,电路原已稳定,t=0时断开开关S,则Ucl(0+)为()。
选项 A.10V B.15V C.20V D.25V
答案 C
解析

相关内容:如图,电路,开关

猜你喜欢

发表评论
更多 网友评论0 条评论)
暂无评论

访问排行

Copyright © 2012-2014 恰考网 Inc. 保留所有权利。 Powered by tikuer.com

页面耗时0.0416秒, 内存占用1.04 MB, Cache:redis,访问数据库19次