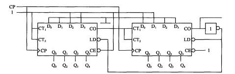
由四位二进制同步计算器74161构成的逻辑电路如图所示,该电路的逻辑功能 为( )。 A.同步256进制计数器 B.同步217进制计数器 C.同步...

作者: tihaiku 人气: - 评论: 0
问题 由四位二进制同步计算器74161构成的逻辑电路如图所示,该电路的逻辑功能 为( )。
选项 A.同步256进制计数器 B.同步217进制计数器 C.同步243进制计数器 D.同步196进制计数器
答案 A
解析 解 CO=Q0· Q1 · Q2 · Q3· CE 初始状态为0000?0000,当右面的计数器C0输出为1时,也就是当所有输出为1111? 1111时,整个计数器通过置数法置成0000?0000。 答案:A

相关内容:二进制,计算器,构成,逻辑,电路,如图,功能,进制,计数器

猜你喜欢

发表评论
更多 网友评论0 条评论)
暂无评论

访问排行

Copyright © 2012-2014 恰考网 Inc. 保留所有权利。 Powered by tikuer.com

页面耗时0.0389秒, 内存占用1.04 MB, Cache:redis,访问数据库19次