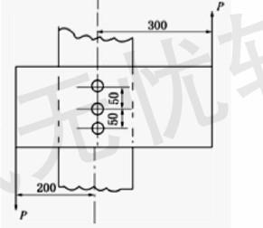
如图所示结构由三个横截面积为A的铆钉连接两块钢板而成,图中尺寸均为mm,则铆钉的最大剪应力为()。 A.5(P/A) B.6(P/A) C.10(P...

作者: tihaiku 人气: - 评论: 0
问题 如图所示结构由三个横截面积为A的铆钉连接两块钢板而成,图中尺寸均为mm,则铆钉的最大剪应力为()。
选项 A.5(P/A) B.6(P/A) C.10(P/A) D.3(P/A)
答案 A
解析 由钢板受力可知,铆钉提供的反力偶矩为0.5P。根据铆钉位置的对称性可知中间铆钉不承受剪力,因此0.5P大小的反力偶矩由上下两个铆钉提供,从而可知这两个铆钉各承担的剪力为Fs=0.5P/0.1=5P,所以最大剪应力即为τmax=Fs/A=5(P/A),作用在上下两个铆钉上。

相关内容:如图,结构,三个,横截,面积,铆钉,钢板,图中,尺寸

猜你喜欢

发表评论
更多 网友评论0 条评论)
暂无评论

访问排行

Copyright © 2012-2014 恰考网 Inc. 保留所有权利。 Powered by tikuer.com

页面耗时0.0386秒, 内存占用1.04 MB, Cache:redis,访问数据库18次